WWW.LT1SWAP.COM

[ HOME ]    [ PCM PROGRAMMING ]   [ WIRE HARNESS INFO  ]     [ VORTEC 8100 ]   [ VORTEC 6.0L ]   [ '62 IMPALA ]   

['67 CHEVY C10]     [GM ECM TUNING]    [ LINKS ]    [ PHOTO GALLERY ] 

 

 

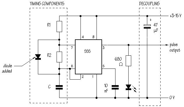
Here is a circuit I used at first and it worked okay to beat VATS.

On the 3-15v source, I would use a voltage regulator of some sort, I've heard complaints of having to do excessive cranking to start, running battery voltage down to get it right.  I used a pot for the timing resistor so I could change the timing easily.

The fuel enable pin on the PCM is pulled high, meaning has a + voltage on it normally.  In order to tell the PCM to enable fuel injectors, you must drive that pin at 30Hz pull to ground, meaning you are touching that pin to ground 30 times a second.  The circuit above  shows a pulse output, it is a positive voltage, so this is not going to work like it's shown. To make it work, use a 2N3904 transistor. Connect the pulse output with a 1k resistor to the base of the 2N3904. Ground the emitter,  and connect the collector to the fuel enable pin on the PCM.

In order to obtain the desired 30Hz signal, use this calculator.

http://ourworld.compuserve.com/homepages/Bill_Bowden/555.htm

You want to be between 30Hz - 50Hz, and as close to 50% duty cycle as possible (on and off time are equal)

I used the above circuit with success, however, I did run into problems with it starting with a fully charged battery.  The voltage difference would cause excessive cranking for the engine to start.  One could put a voltage regulator on the circuit to maybe solve this problem.

I was looking through the junkyard and found a Key in the ignition of a 94 Camaro, the VATS module was still in place, so I ended up using that instead of my 555 circuit.  I simply measured the resistance of the key and wired the module to my PCM.  First attempt to start it went great, and I've had no problems since.  If you are looking in the junkyard and find a VATS module, it is located next to the glove box behind the dash. Even if the car doesn't have a key in it, you can still use it, but will have to test 15 different resistors to see if it works right.

The eight wire connector is as follows:

Orange - All time 12v +

Pink - Keyed 12v+

Blk/Wht - Ground

Yel/Blk - Starter Enable Relay

Dk Blu - Fuel enable signal

Wht/Blk & Purple/Wht - on of 15 resistors below

Gray - security light

420 Ohms     523 Ohms
681 Ohms     887 Ohms
1.130k         1.470k
1.870k         2.370k
3.010k         3.740k
4.750k         6.040k
7.500k         9.530k
11.800k

(you have some room to play, + or - 20 ohms typically on the lowest value. + or - 400 ohms on the highest values)

You could use a 50K pot to get each of the values above, but I think you have to be within 10 ohms for it to work right. 

To test for the right one,

connect - black/white - ground

connect - orange 12v+

connect - a light bulb (test light works great) to 12v+ and the gray wire. 

find a resistor value from the table above (may have to combine resistors) and connect to - white/black and purple/white

next touch pink wire to 12v+ and watch test light.

 If you turn on the power and the security light blinks, you have the wrong resistor value.  Disconnect the pink wire only and wait at least 3 minutes between each attempt.  When you get the right resistor, the security light should come on for 5 seconds or so, then go out.

Good Luck, email me if you have any questions.