WWW.LT1SWAP.COM

[ HOME ]    [ PCM PROGRAMMING ]   [ WIRE HARNESS INFO  ]     [ VORTEC 8100 ]   [ VORTEC 6.0L ]   [ '62 IMPALA ]   

['67 CHEVY C10]     [GM ECM TUNING]    [ LINKS ]    [ PHOTO GALLERY ] 

 

 

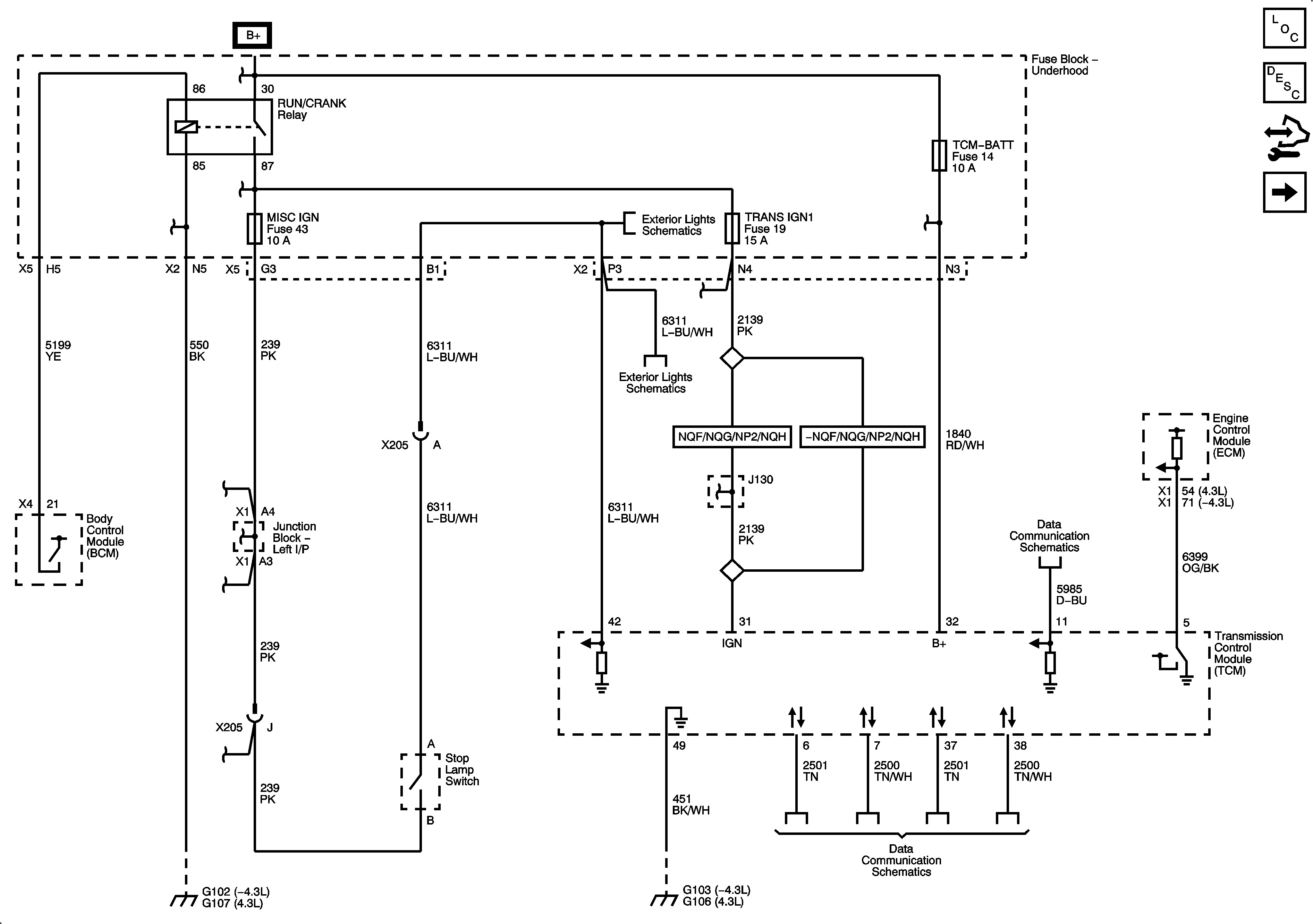
4L60E Module Power/Ground/Data

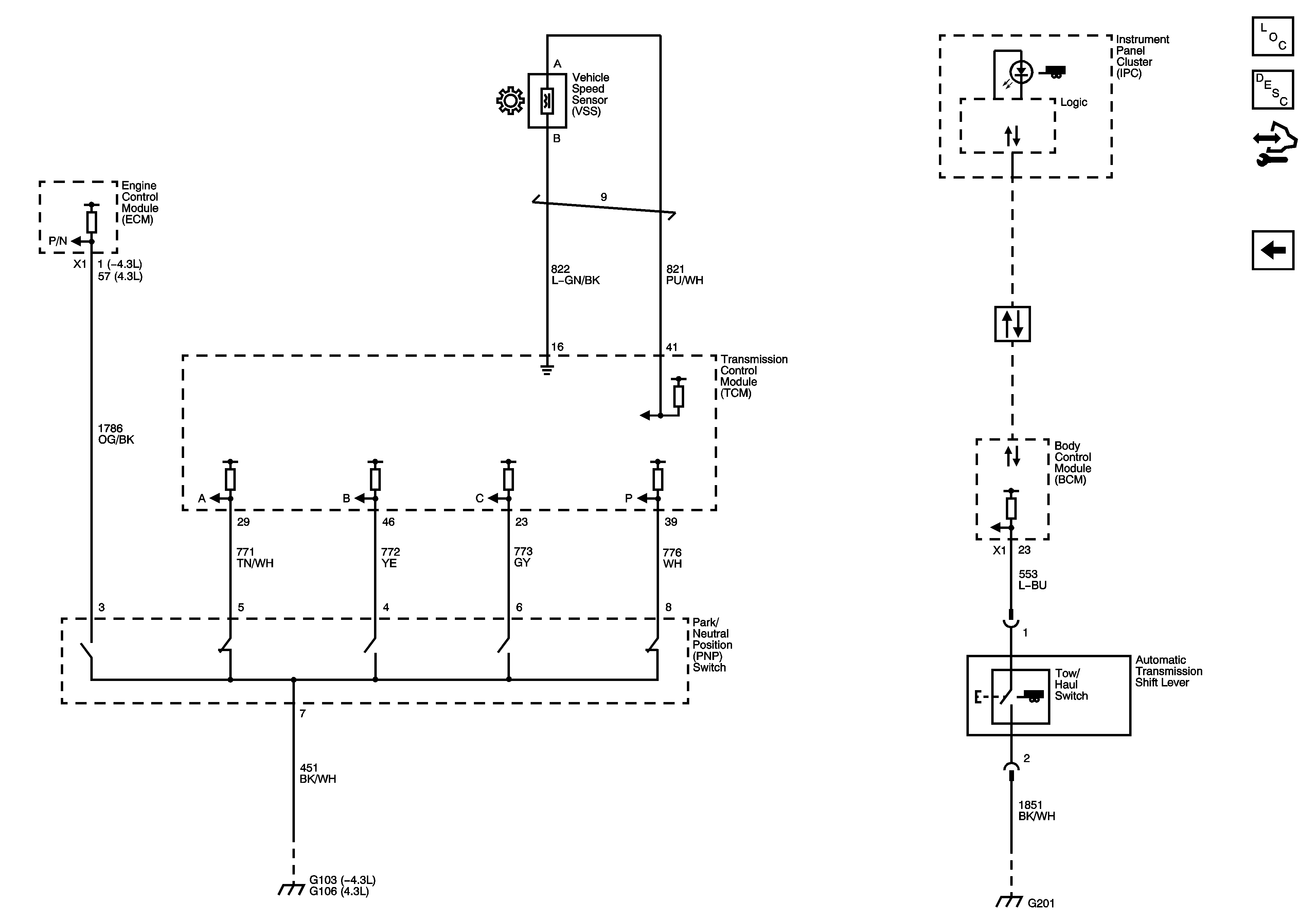
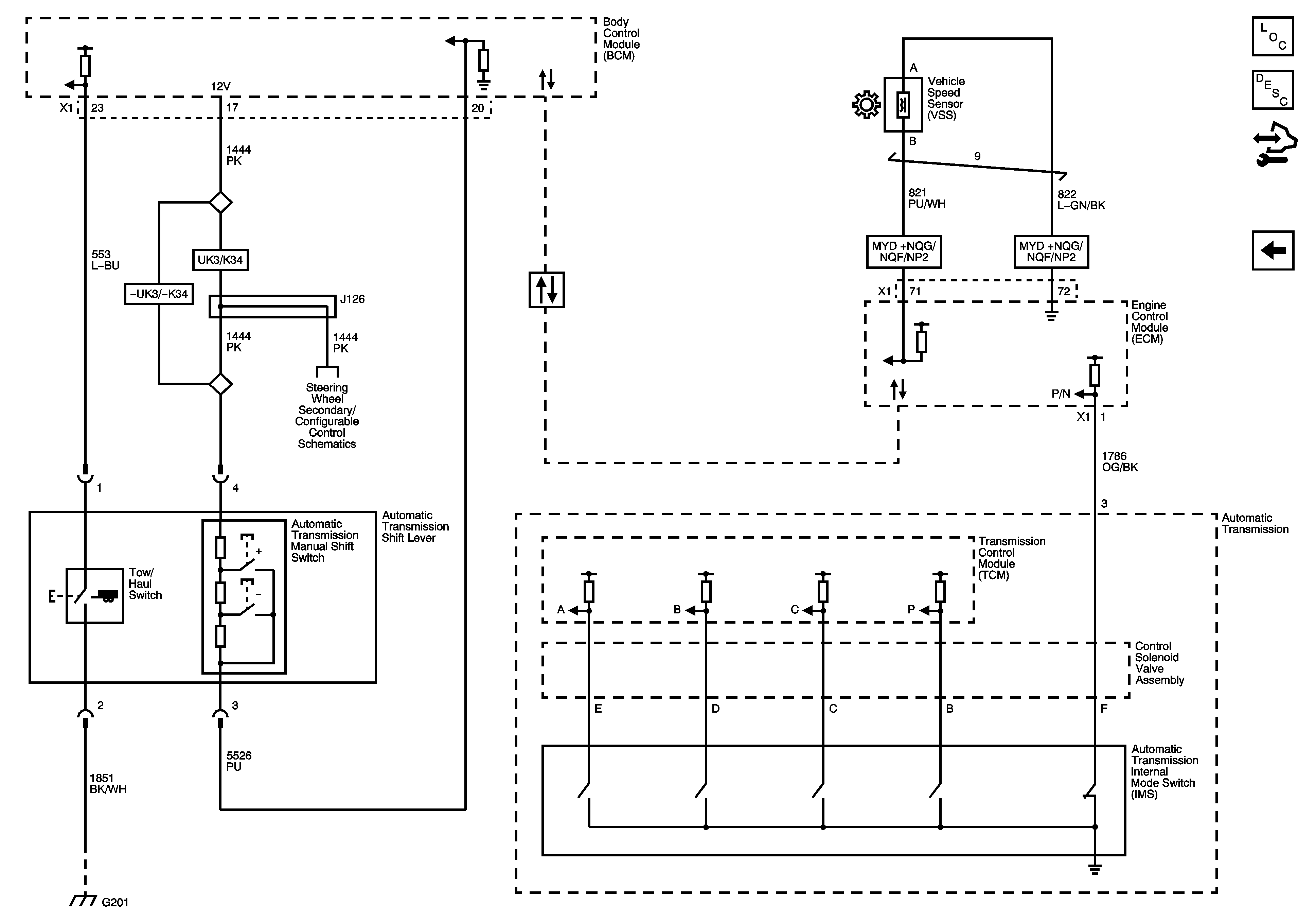
4L60E PNP, Vss, Tow-Haul Signals

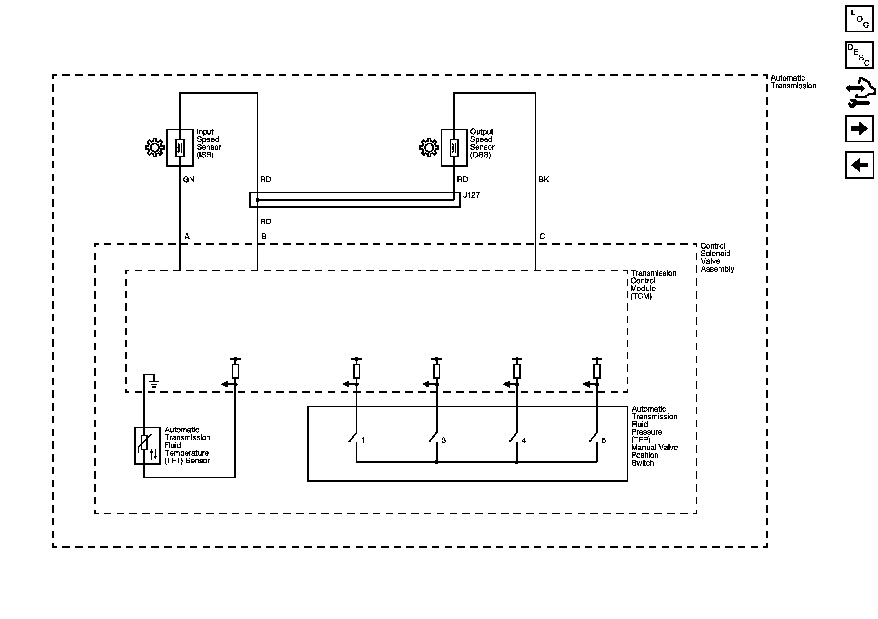
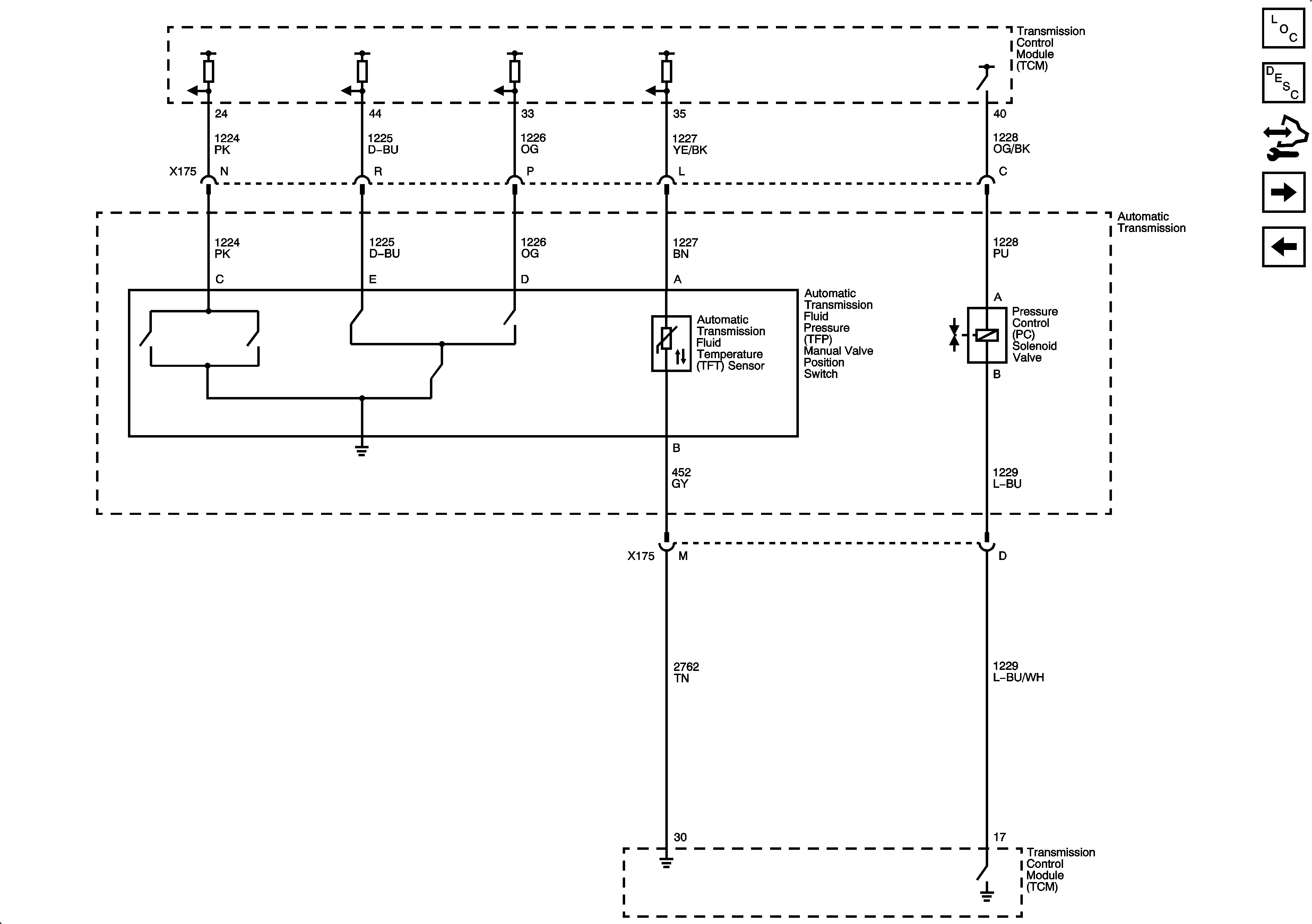
4L60E Pressure & Temp

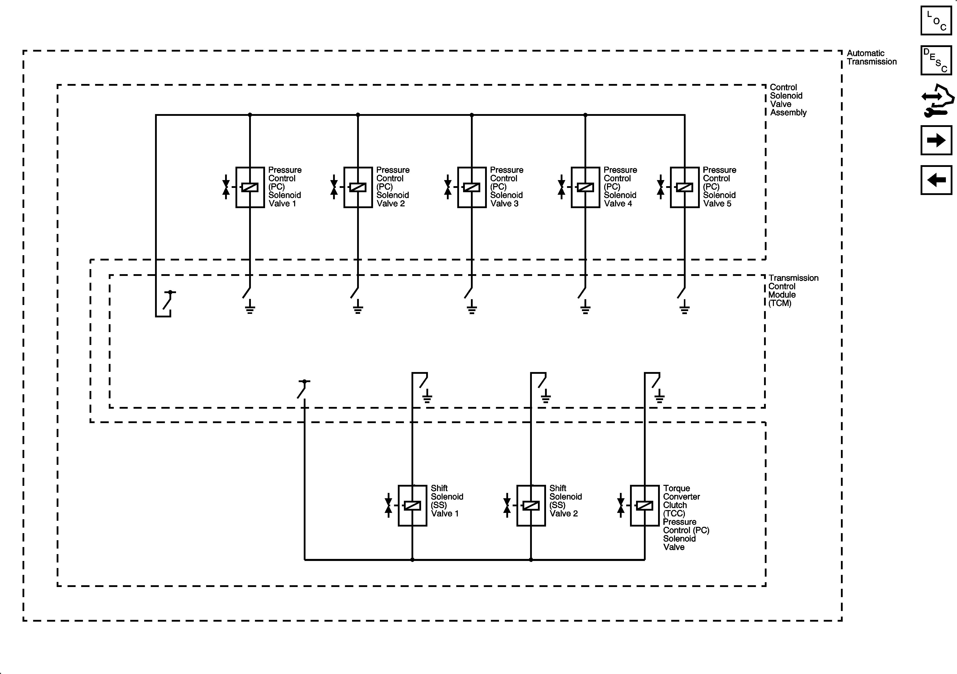
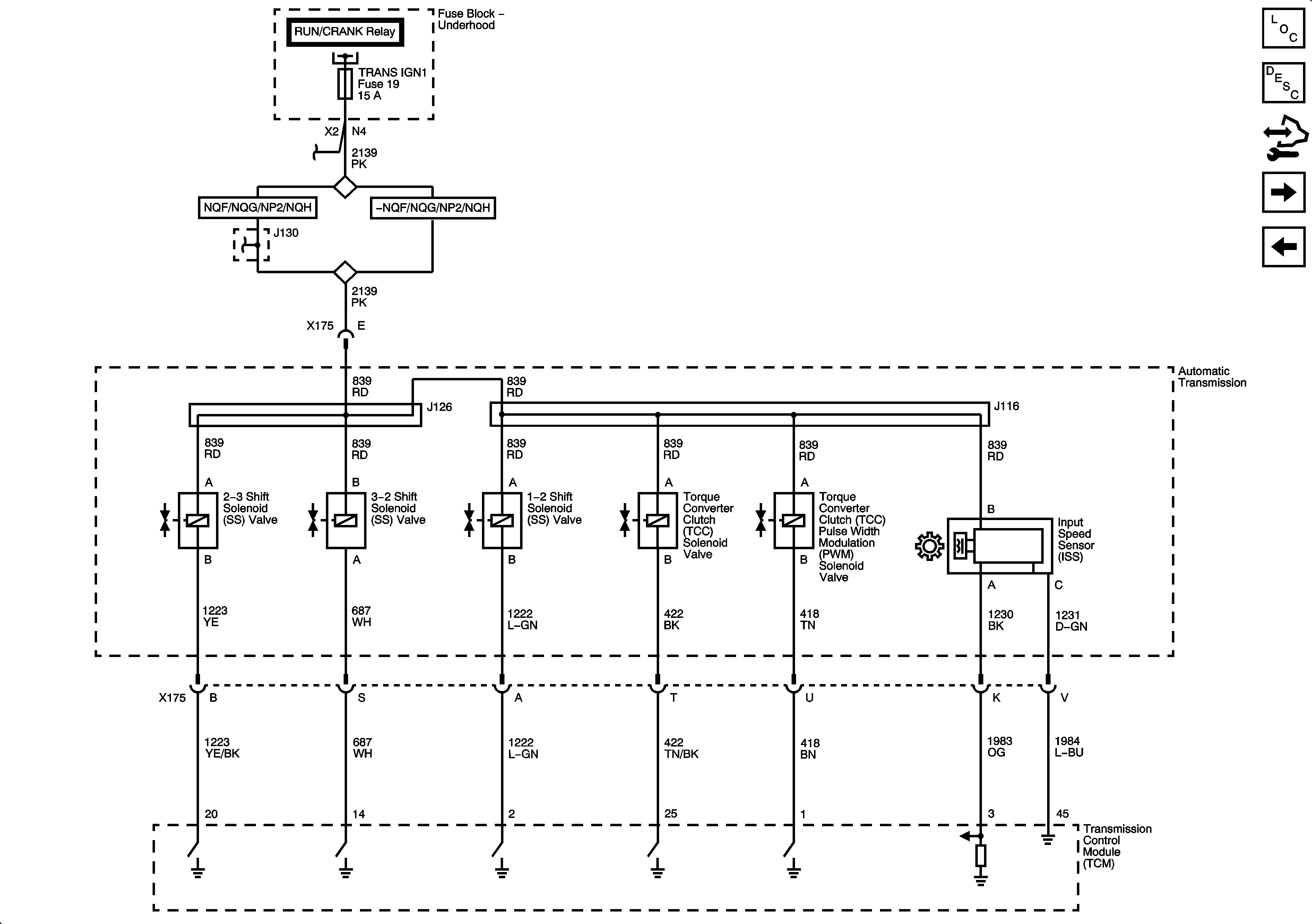
4L60E Shift Controls

5v and Low References

6L80/90 Module Power/Ground/Data/ Stop Lamp Signal

6L80/90 Pressure Controls 1 & Shift Control

6L80/90 Pressure Controls 2 & Speed Sensors

6L80/90 Trans Range Signal and Driver Shift Request

Controlled-Monitored Subsystems

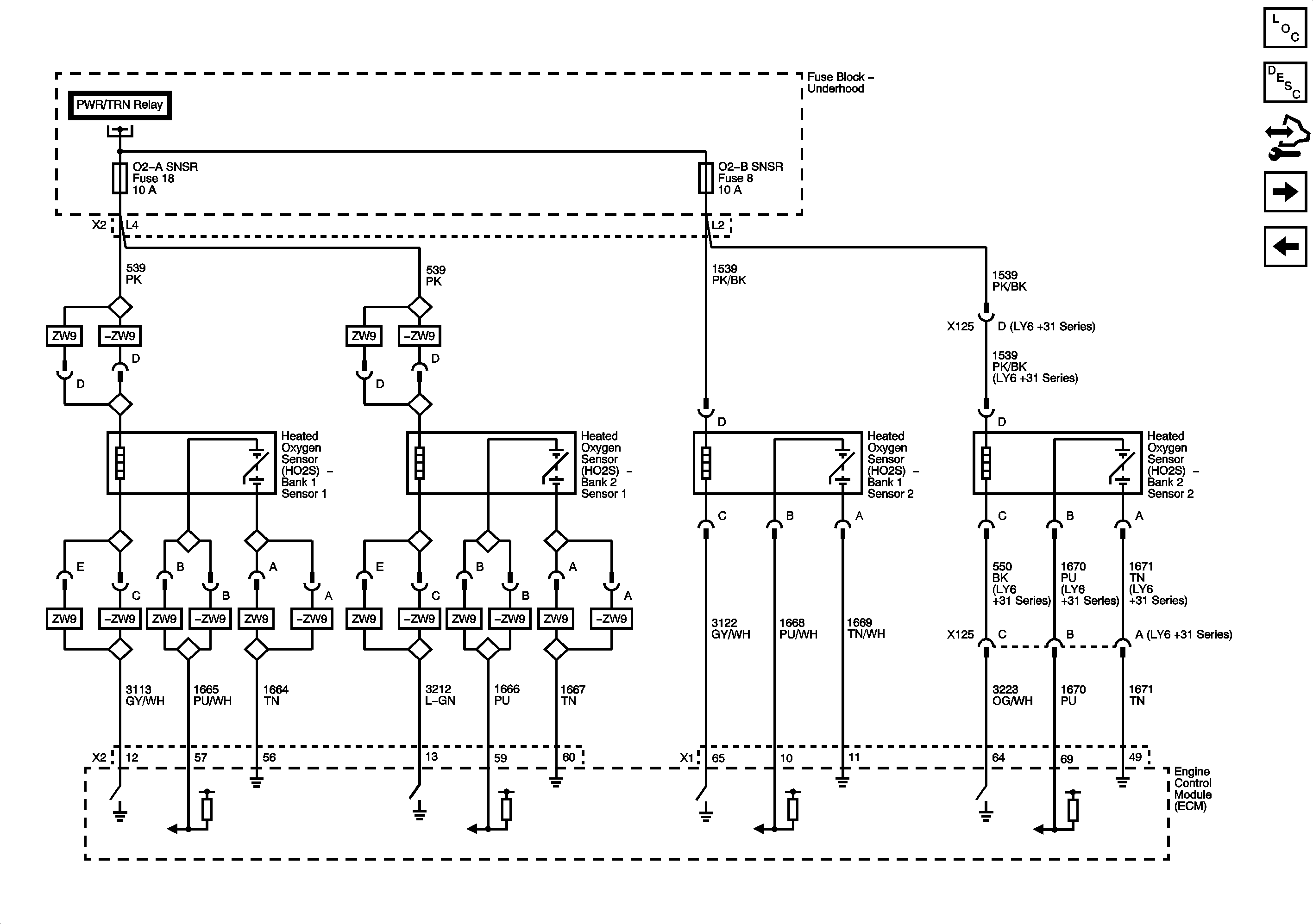
Engine Data Sensors - HO2s

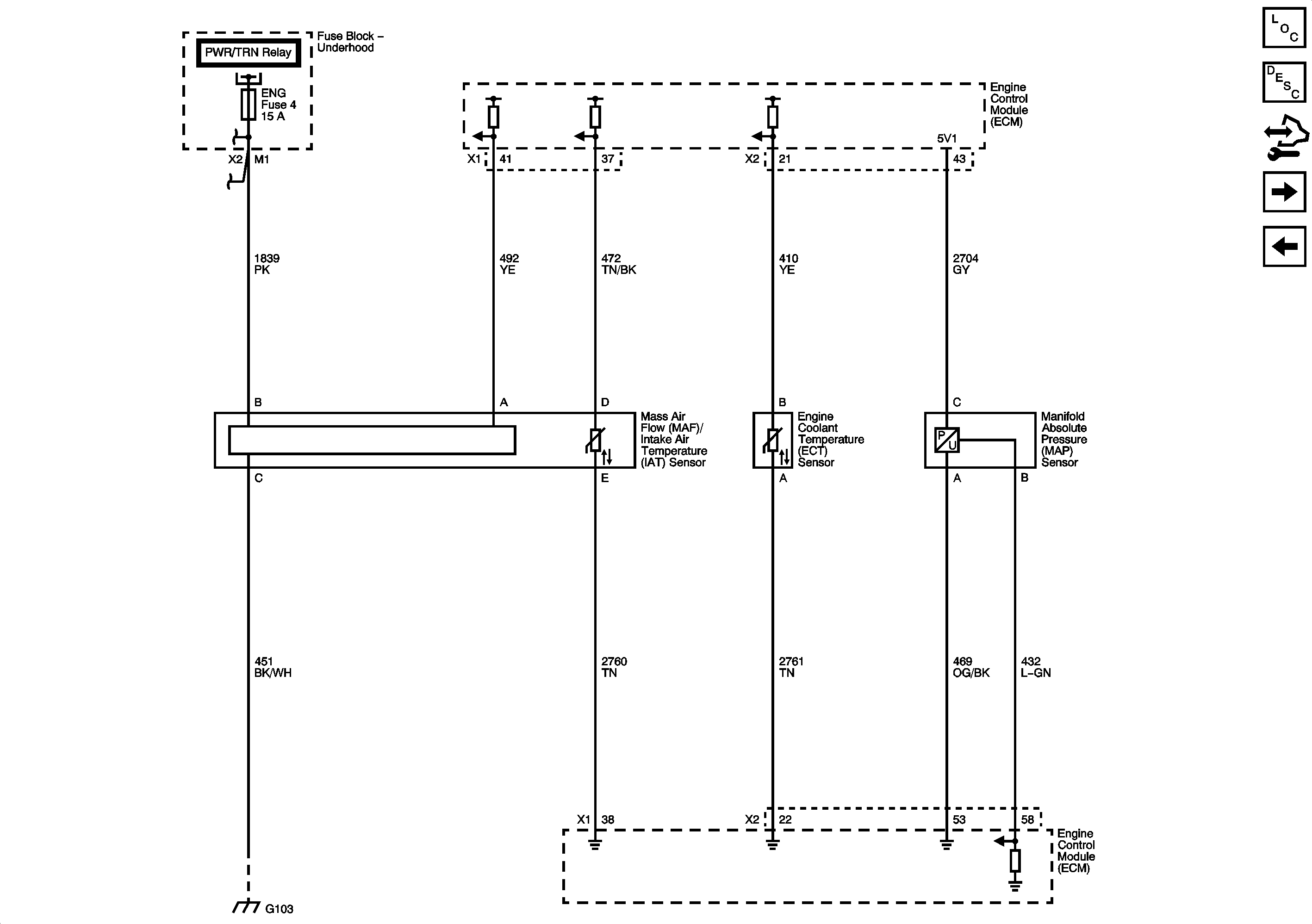
Engine Data Sensors - Pressure & Temp

Engine Data Sensors - Throttle Controls

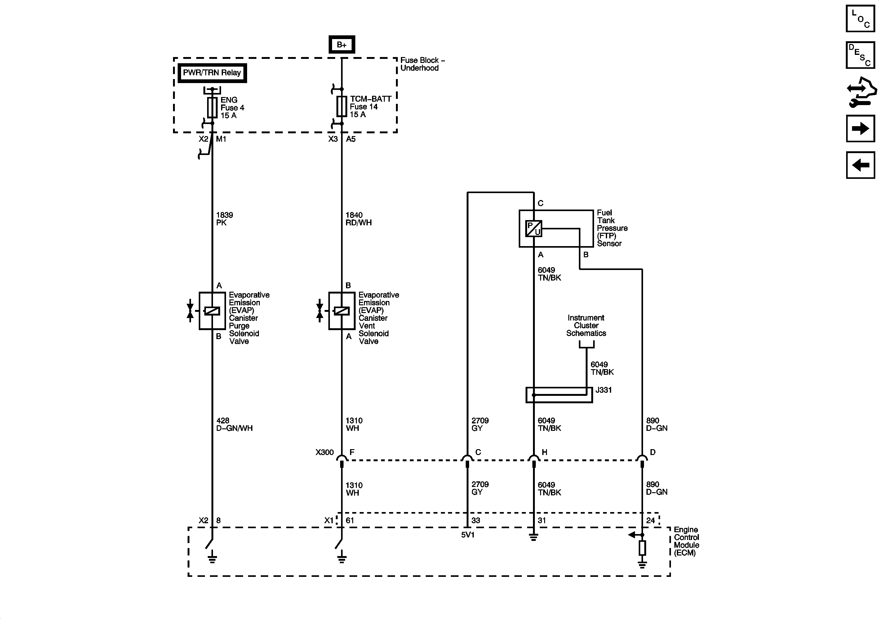
Fuel Controls - EVAP Controls

Fuel Controls - Fuel Injectors

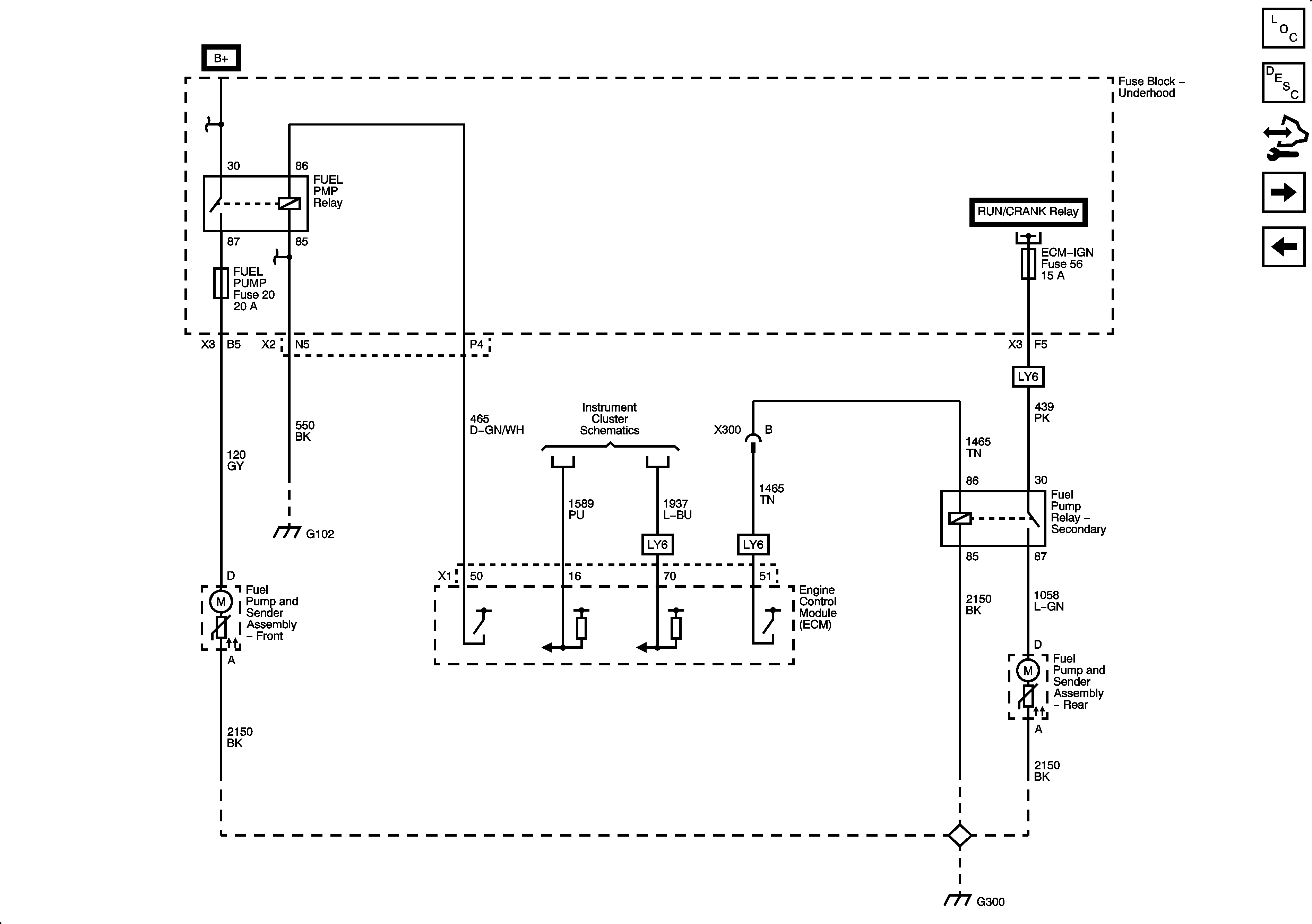
Fuel Pump Controls (except LMG-LY6-LC9)

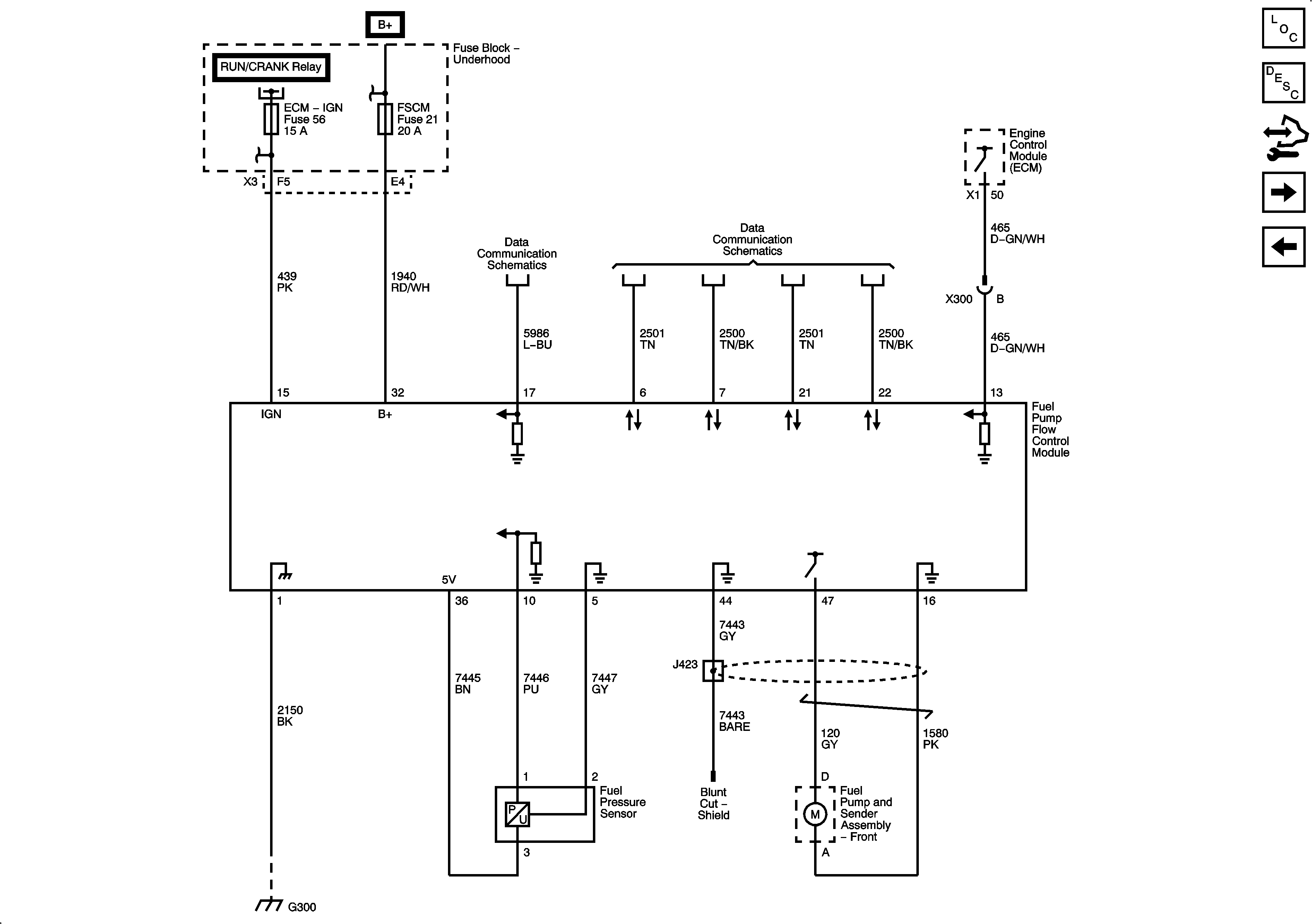
Fuel Pump Controls with LMG-LY6-LC9

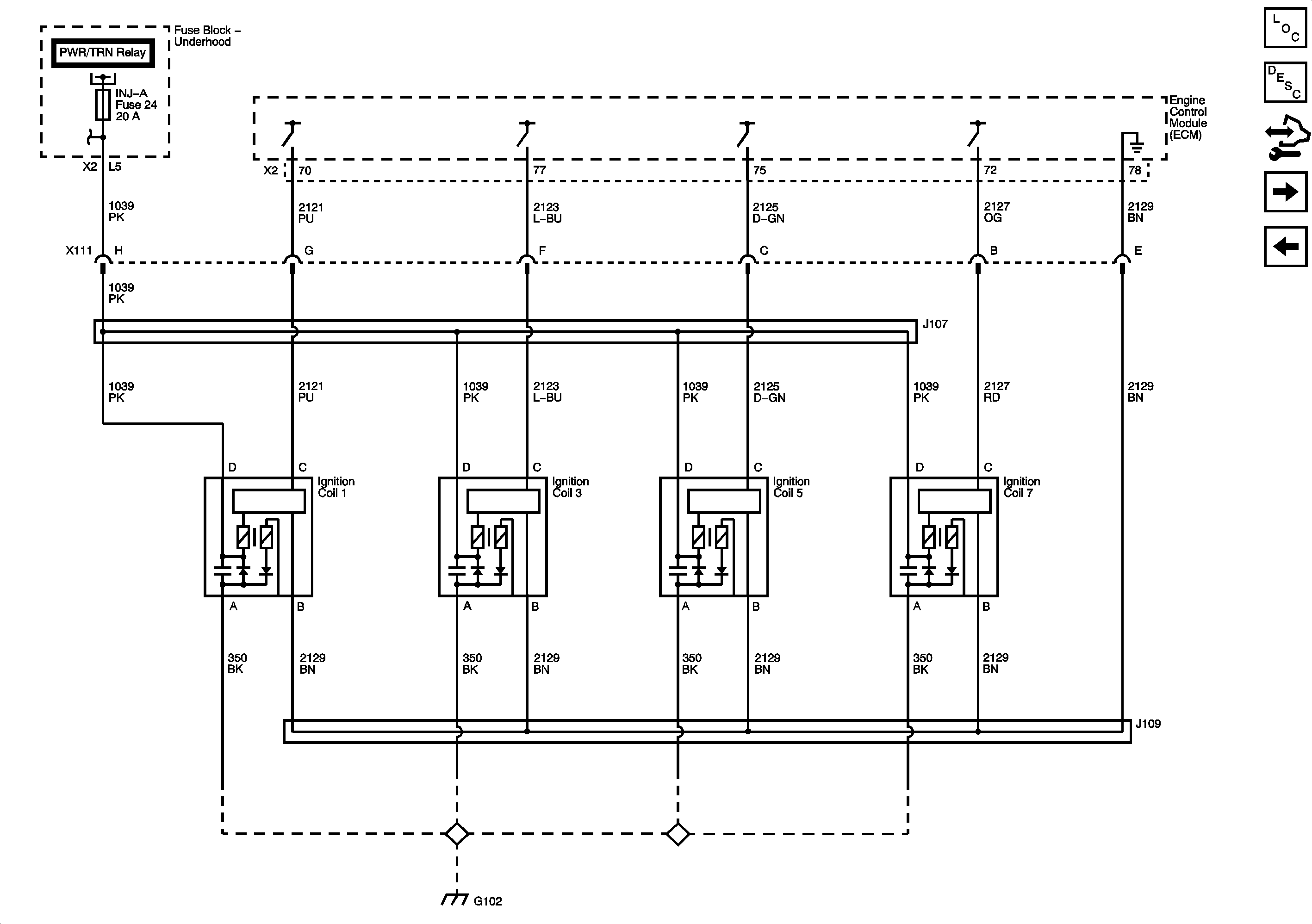
Ignition Controls - Coils 1,3,5,7

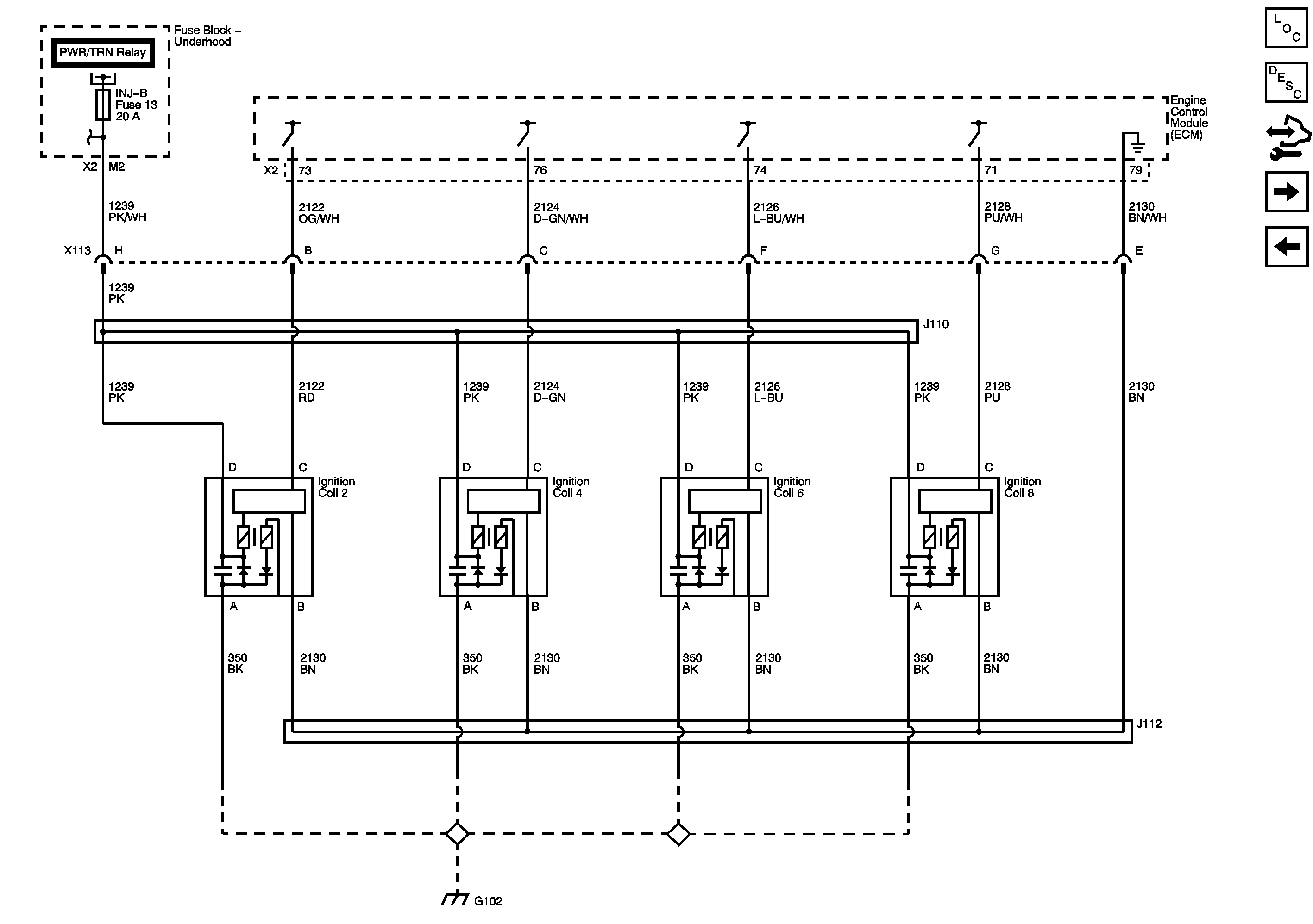
Ignition Controls - Coils 2,4,6,8

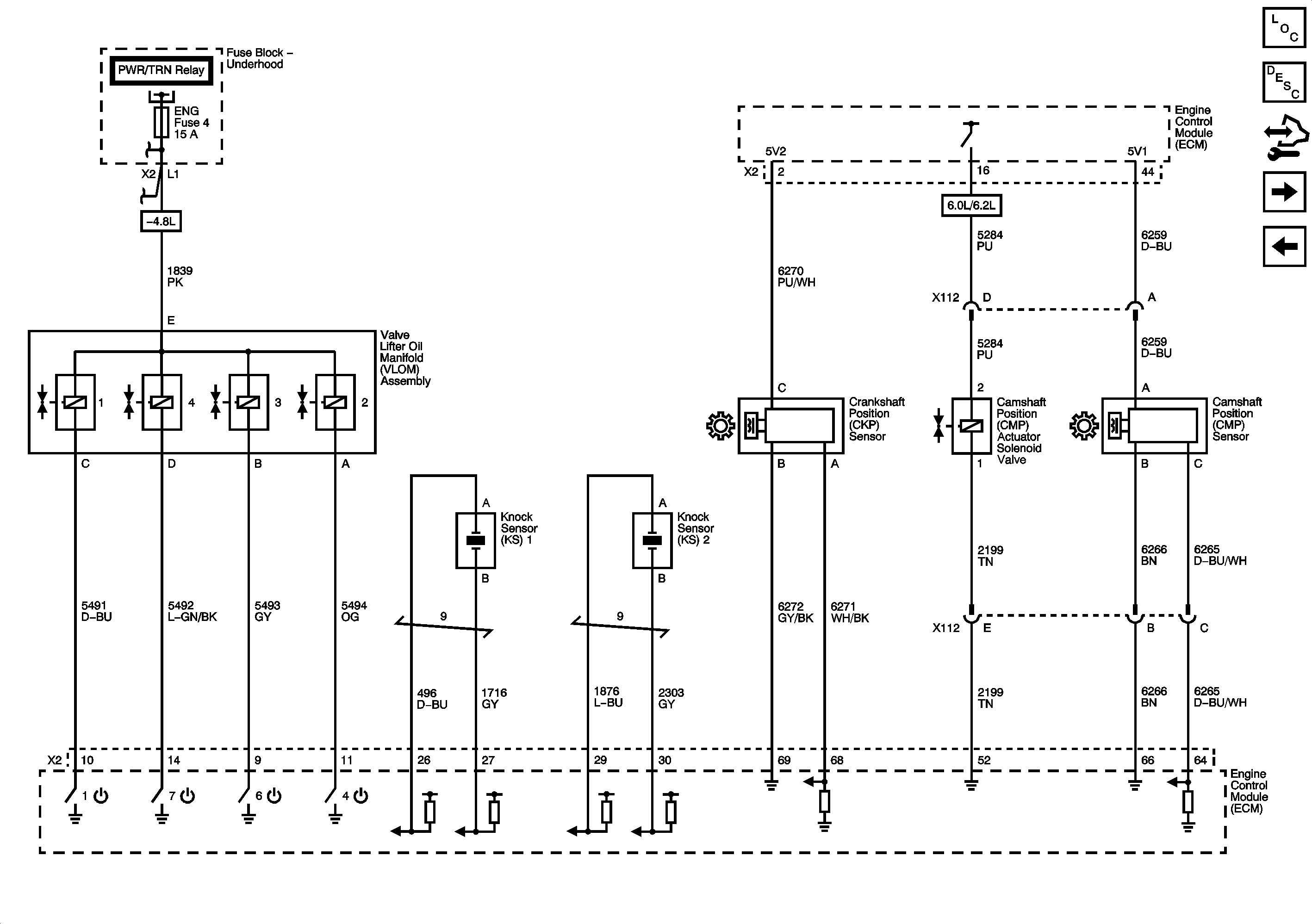
Ignition Controls - Sensors

Underhood Fuse Block

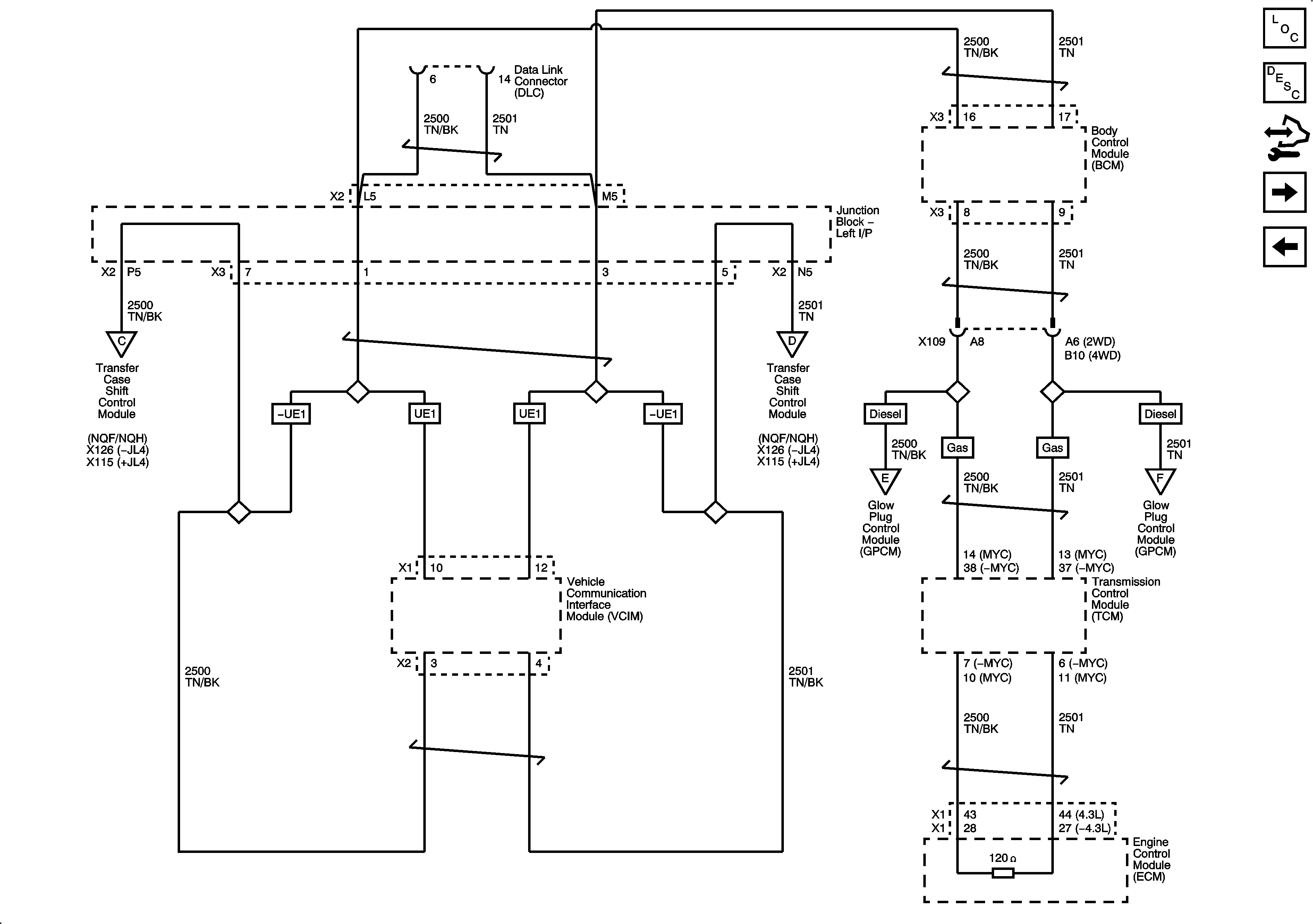
High Speed Bus (OBD2 Port)