WWW.LT1SWAP.COM

[ HOME ]    [ PCM PROGRAMMING ]   [ WIRE HARNESS INFO  ]     [ VORTEC 8100 ]   [ VORTEC 6.0L ]   [ '62 IMPALA ]   

['67 CHEVY C10]     [GM ECM TUNING]    [ LINKS ]    [ PHOTO GALLERY ] 

 

Here you will find wiring harness information for the Vortec 8100 Engine. This particular post is for the 2001 model C/K 2500 or 3500 Chevy Pickup.  C2 Underhood fuse block connector is the same as vortec 4.8/5.3/6.0 for each year.  Go here for the underhood fuse block connector information.  However, see bottom of this page for C100, C152 info for the 8.1L harness.

 

Engine Controls Schematics - see pictures below chart

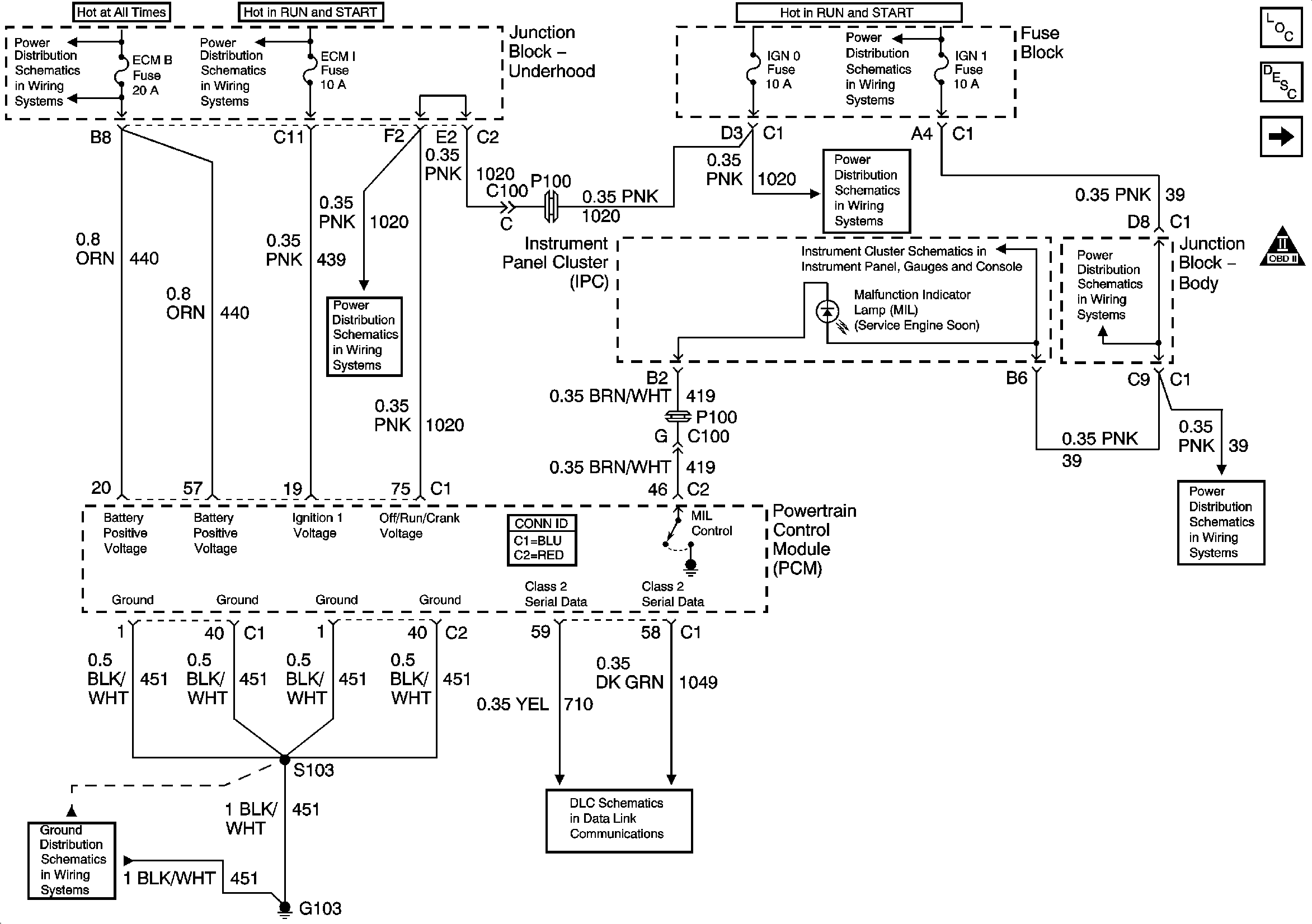
Figure 1: Power, Ground, and IPC
Figure 2: PCM, ENG 1 Fuse, Engine Coolant Temperature (ECT) Sensor, and MAP Sensor
Figure 3: Engine Data Sensors - VSS
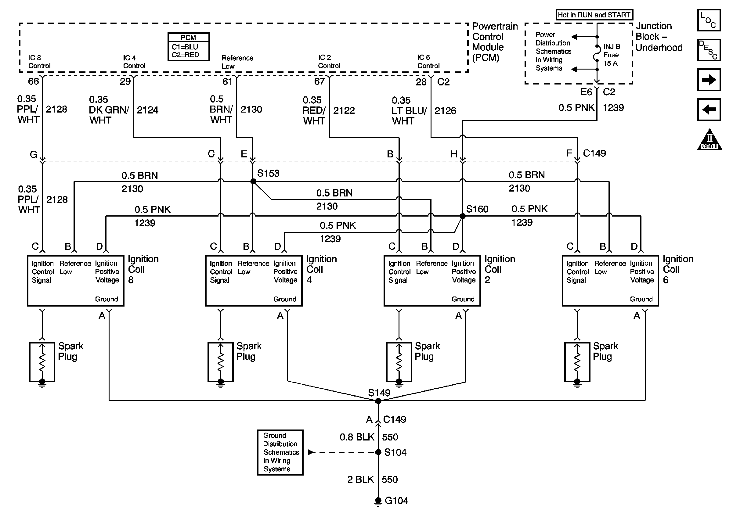
Figure 4: INJ B Fuse, Ignition Coils, and PCM
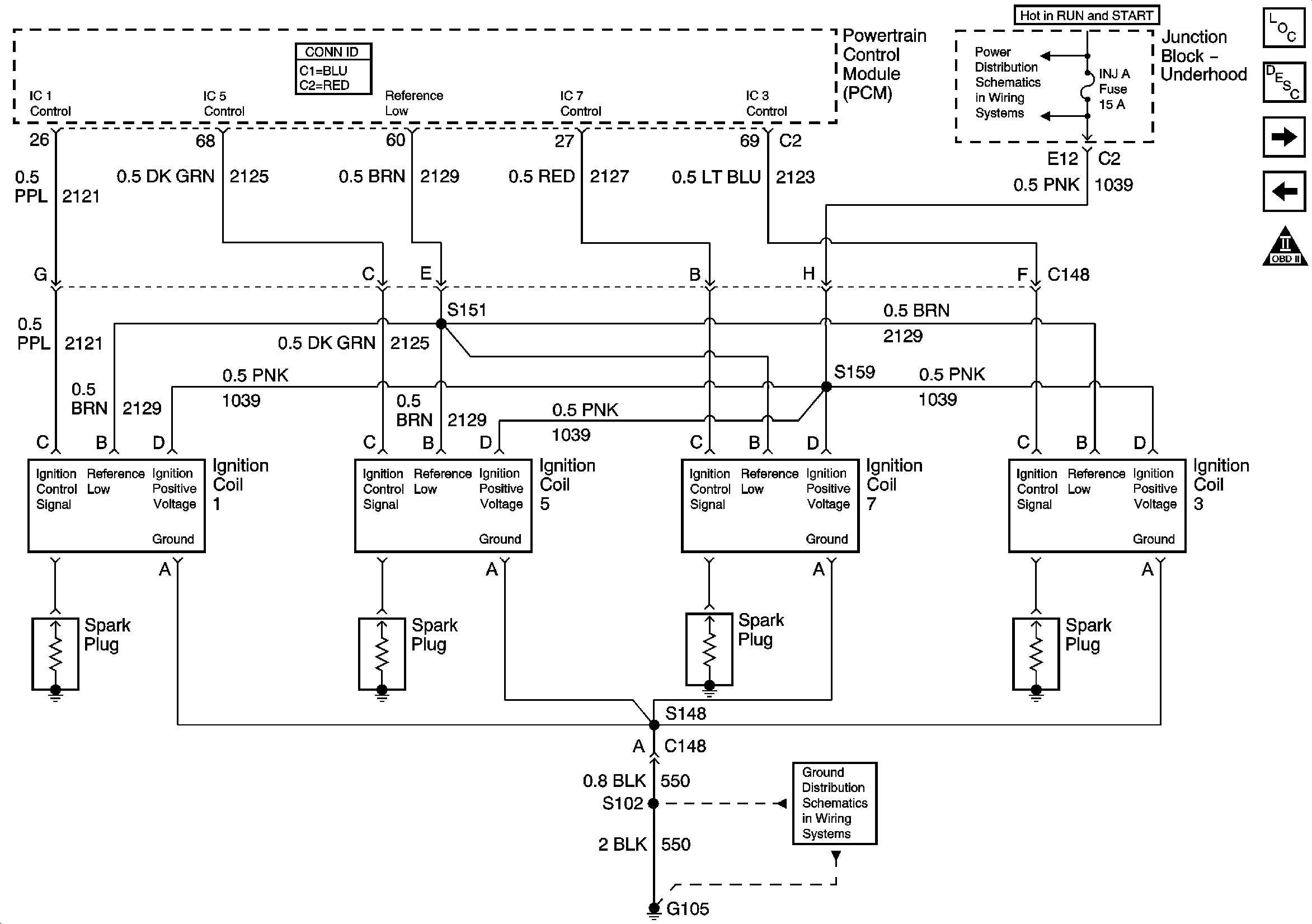
Figure 5: INJ A Fuse, Ignition Coils, and PCM
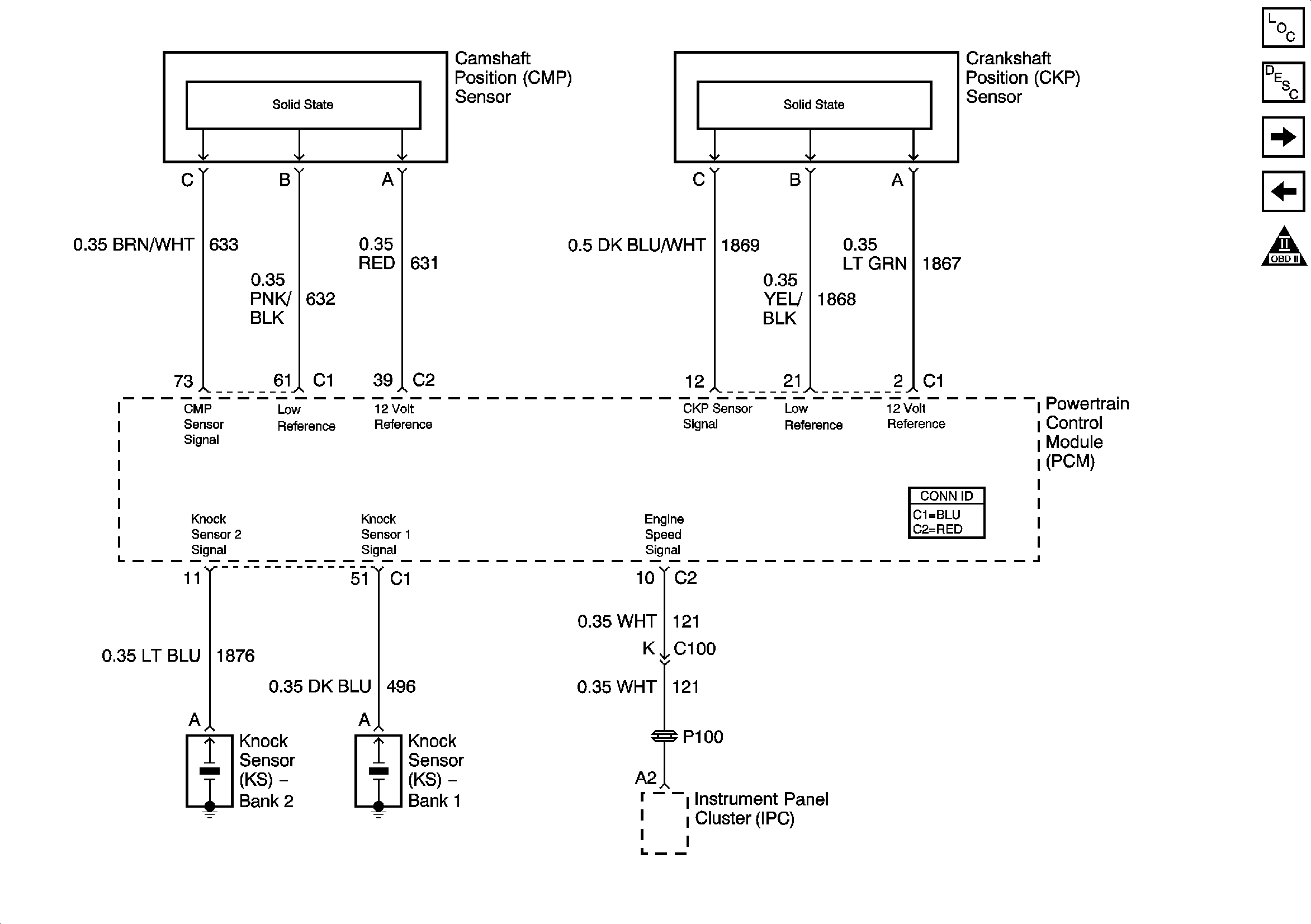
Figure 6: Camshaft Position Sensor (CMP), Crankshaft Position Sensor (CKP), and Knock Sensors
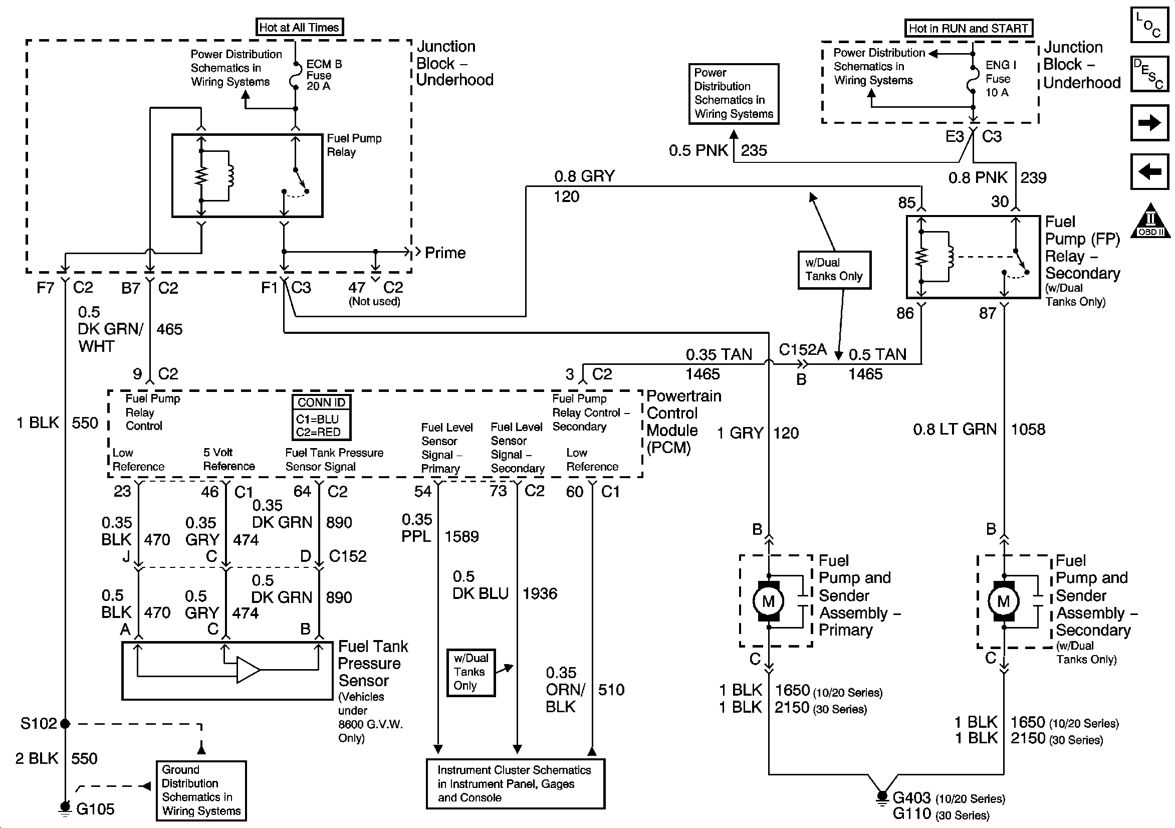
Figure 7: Fuel Pump Relay, Fuel Tank Pressure Sensor, Primary and Secondary Fuel Pump and Sender Assemblies
Figure 8: INJ B Fuse, INJ A Fuse, Fuel Injectors, and PCM
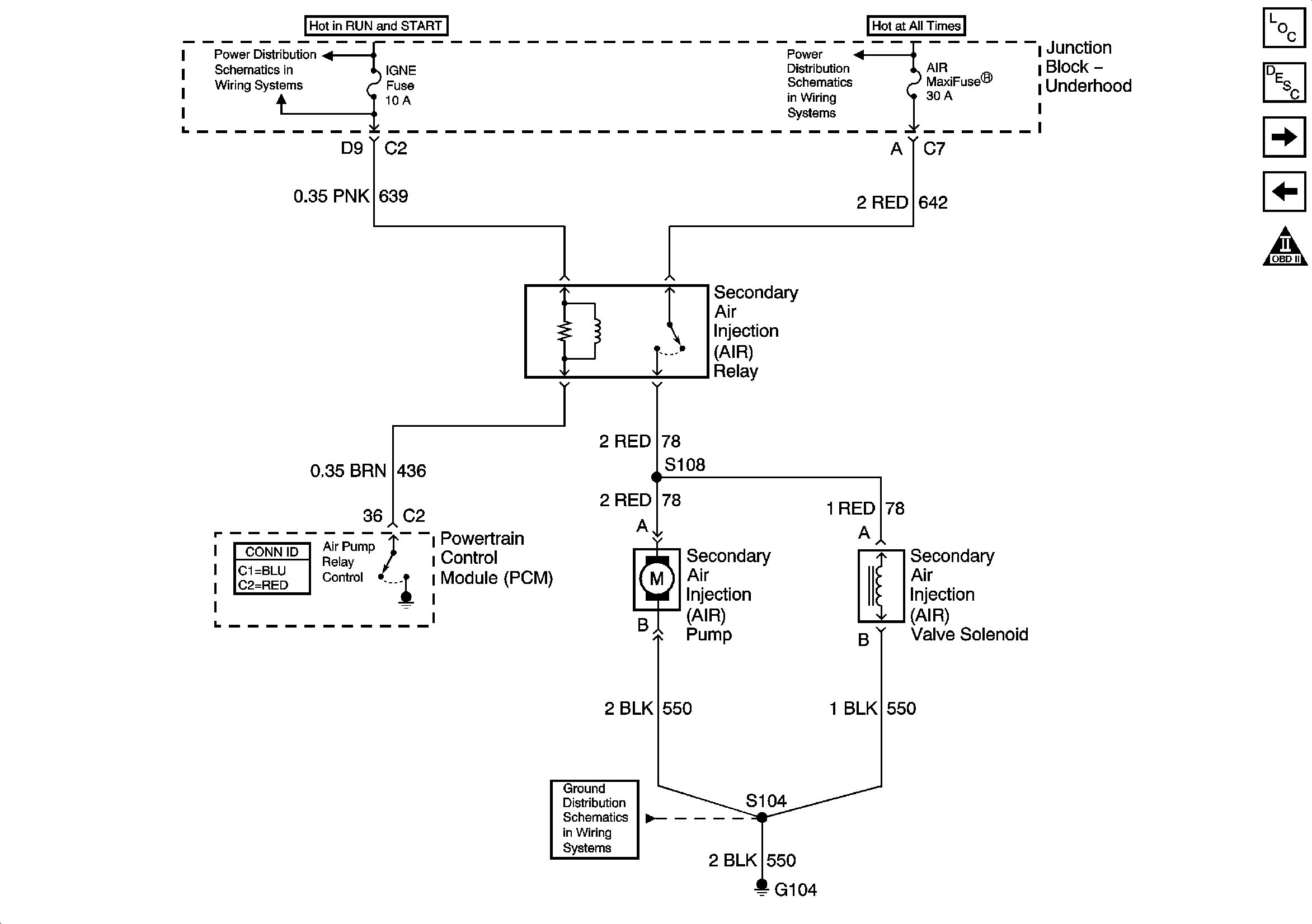
Figure 9: Secondary Air Injection (AIR)
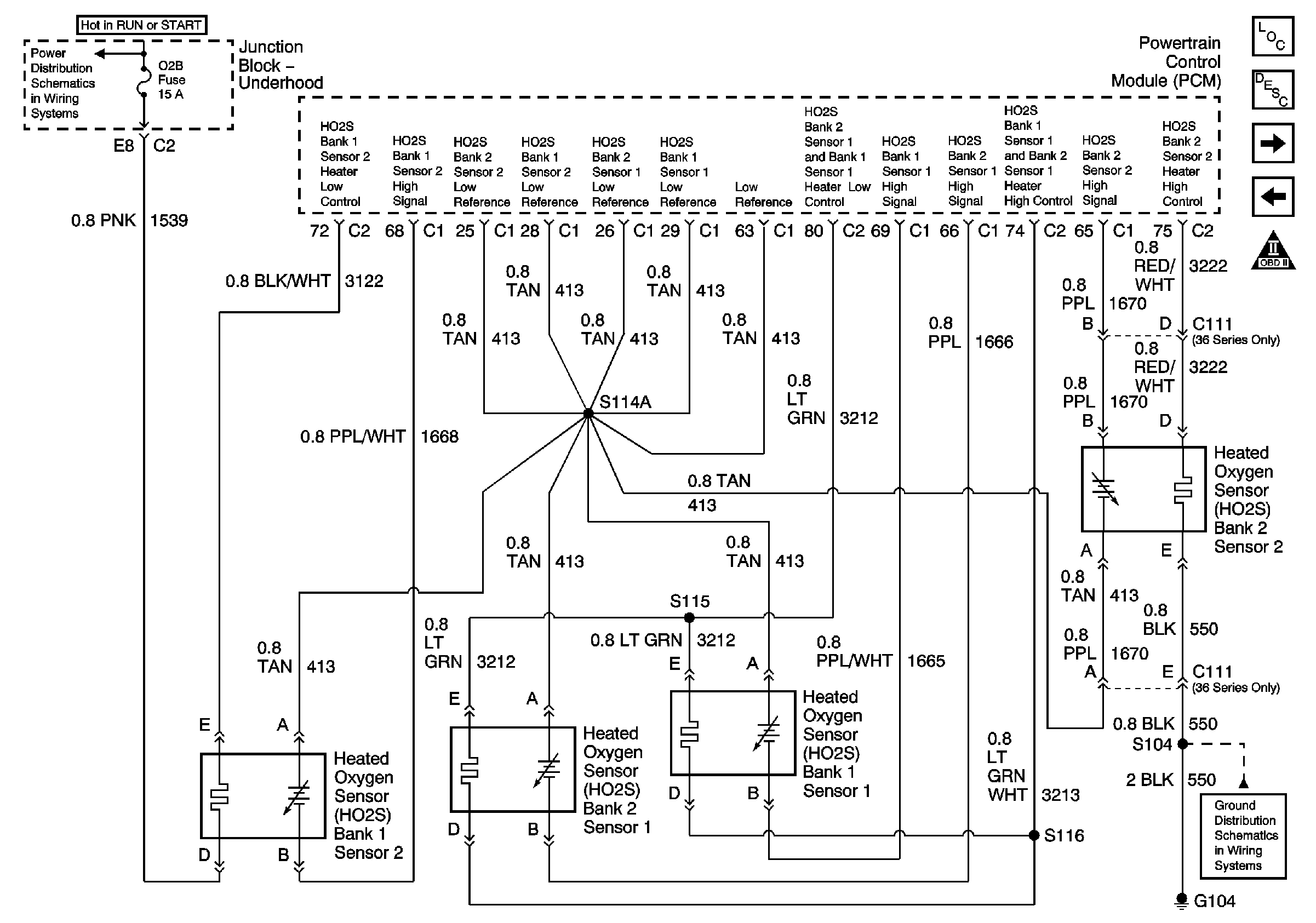
Figure 10: Heated Oxygen Sensors (HO2S)
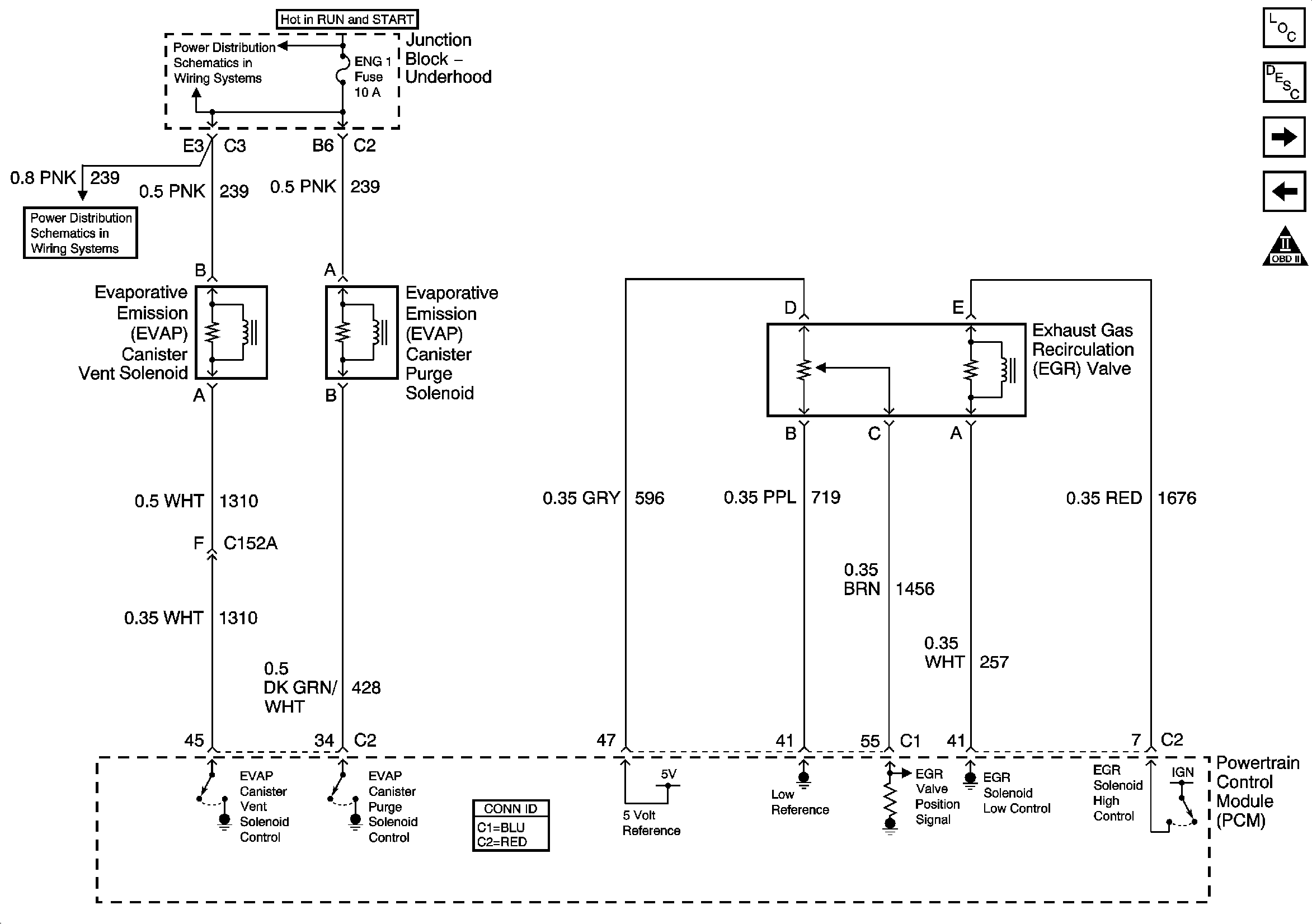
Figure 11: Evaporative Emissions (EVAP) Canister Purge and Vent Solenoids and Exhaust Gas Recirculation (EGR) Valve
Figure 12: Coolant Level Switch, Engine Oil level Switch and Generator
Figure 13: Automatic Transmission Controls References
Figure 14: A/C High Pressure Switch, A/C Low Pressure Switch, and PCM
Figure 15: Throttle Actuator Control (TAC) Module, ETC Fuse, Throttle Position Sensor
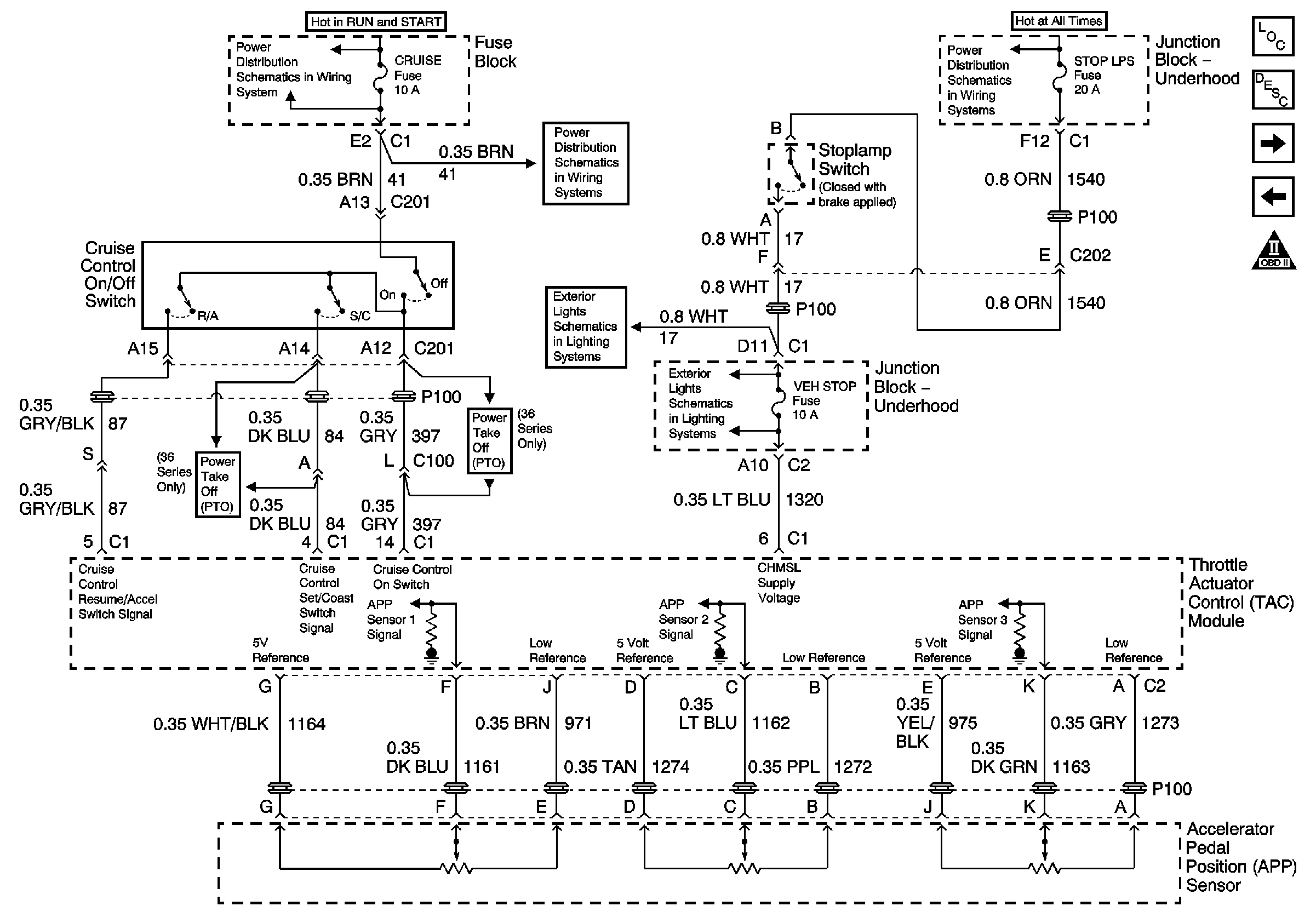
Figure 16: Cruise Control ON/OFF Switch, STOP LPS Fuse, and Accelerator Pedal Position(APP) Sensor
Figure 17: Power Take Off (PTO) Switch, Power Take Off Relay, and PCM

FIG 1

FIG 10

FIG 11

FIG 12

FIG 13

FIG 14

FIG 15

FIG 16

FIG 17

FIG 2

FIG 3

FIG 4

FIG 5

FIG 6

FIG 7

FIG 8

FIG 9

 

C100, C152 Information

C100

Connector Part Information
bullet15326084
bullet16-Way F GT 150 280 SLD 4.0 5.8 (BLK)
Connector Part Information
bullet15326085
bullet16-Way M GT 150 280 SLD 4.0 5.8 (BLK)
Pin Wire Color Circuit No. Function Pin Wire Color Circuit No. Function
A DK BLU 84 Cruise Control Set/Coast Switch Signal (Electronic Throttle Control) A DK BLU 84 Cruise Control Set/Coast Switch Signal (Electronic Throttle Control)
A LT BLU/BLK 396 Cruise Control Engaged Signal A LT BLU/BLK 396 Cruise Control Engaged Signal
B WHT 1294 Variable Effort Steering Actuator Supply Voltage B WHT 1294 Variable Effort Steering Actuator Supply Voltage
C PNK 1020 Off/Run/Crank Voltage C PNK 1020 Off/Run/Crank Voltage
D DK

GRN/WHT

817 Vehicle Speed Signal D DK

GRN/WHT

817 Vehicle Speed Signal
E PPL 420 TCC Brake Switch/Cruise Control Release Signal E PPL 420 TCC Brake Switch/Cruise Control Release Signal
F PNK/WHT 1101 Damping Lift/Dive Signal F PNK/WHT 1101 Damping Lift/Dive Signal
G BRN/WHT 419 MIL Control G BRN/WHT 419 MIL Control
H DK GRN 1049 ECM/PCM Class 2 Serial Data H DK GRN 1049 ECM/PCM Class 2 Serial Data
J TAN/WHT 331 Oil Pressure Sensor Signal J TAN/WHT 331 Oil Pressure Sensor Signal
K WHT 121 Engine Speed Signal K WHT 121 Engine Speed Signal
L BRN 1295 Variable Effort Steering Actuator Control (w/o ETC and RTD) L BRN 1295 Variable Effort Steering Actuator Control (w/o ETC and RTD)
L GRY 397 Cruise Control ON Switch Signal L GRY 397 Cruise Control ON Switch Signal
M YEL 710 Class 2 Serial Data M YEL 710 Class 2 Serial Data
N BRN 241 Ignition 3 Voltage N BRN 241 Ignition 3 Voltage
P DK GRN 1614 Recirculation Door Control P DK GRN 1614 Recirculation Door Control
R LT GRN/BLK 584 A/T Shift Lock Control Switch Supply Voltage R LT GRN/BLK 584 A/T Shift Lock Control Switch Supply Voltage
S GRY/BLK 87 Cruise Control Resume/Accel Switch Signal S GRY/BLK 87 Cruise Control Resume/Accel Switch Signal

 

C152

Connector Part Information
bullet15373449
bullet12-Way F GT 150 280 SLD (BLU)
Connector Part Information
bullet15336135
bullet12-Way M GT 150 280 SLD (BLU)
Pin Wire Color Circuit No. Function Pin Wire Color Circuit No. Function
A BLK/WHT 1695 Axle Switch Signal A BLK/WHT 1695 Axle Switch Signal
B TAN 1465 Fuel Pump Relay Control - Secondary B TAN 1465 Fuel Pump Relay Control - Secondary
C GRY 474 5 Volt Reference C GRY 474 5 Volt Reference
D DK GRN 890 Fuel Tank Pressure Sensor Signal D DK GRN 890 Fuel Tank Pressure Sensor Signal
E YEL/BLK 1827 Vehicle Speed Signal E YEL/BLK 1827 Vehicle Speed Signal
F WHT 1310 EVAP Canister Vent Solenoid Control F WHT 1310 EVAP Canister Vent Solenoid Control
F LT GRN 1324 Backup Lamp Supply Voltage (Diesel) F LT GRN 1324 Backup Lamp Supply Voltage (Diesel)
G ORN/BLK 510 Low Reference G ORN/BLK 510 Low Reference
H DK BLU 1936 Fuel Level Sensor Signal - Secondary H DK BLU 1936 Fuel Level Sensor Signal - Secondary
J BLK 470 Low Reference J BLK 470 Low Reference
K PPL 1589 Fuel Level Sensor Signal - Primary K PPL 1589 Fuel Level Sensor Signal - Primary
L TAN/BLK 464 Delivered Torque Signal L TAN/BLK 464 Delivered Torque Signal
M ORN/BLK 463 Requested Torque Signal M ORN/BLK 463 Requested Torque Signal